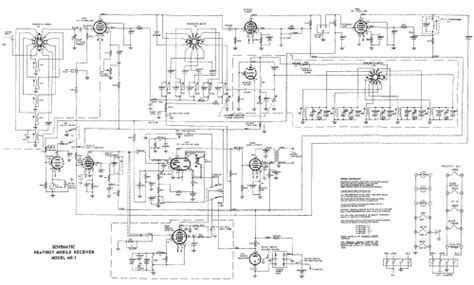
Comanche Mr 1 Amateur R Heathkit Brand Heath Co Benton Harbor Mi