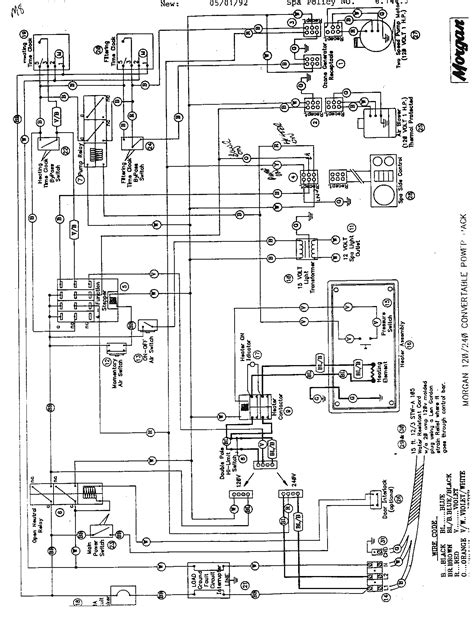
Step By Step Guide Schematic Wire Hot Tub Wiring Diagram Explained

Related :