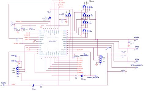
V N Ltc Cylai Reference Design Hot Swap Controller Arrow