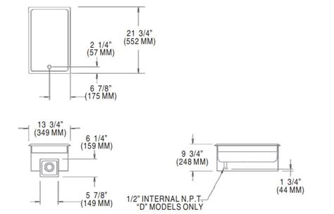
Wells Ht Af Drop In Hot Food Well Jes