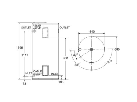
Everhot 400l 4 8kw Single Element Electric Hot Water System From Reece

Related :